TEL: 唐先生

GBX36系列减速箱

GBX36系列减速箱

image.png

产品详情

性能参数

3656.jpg


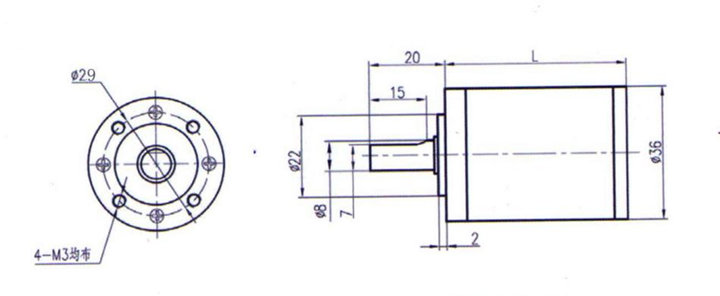
物理尺寸

image.png

适配机型:                          Adaptive Model:         

l 永磁直流电机               ●Permanent Magnet DC Motor

l 无刷直流电机               ● Brushless DC Motor

l 混合式步进电机           ● Hybrid Stepping Motor

l 空心杯电机                  ● Hollow Cup Motor