42BY412系列爪极式永磁步进电机
电压:12VDC~24VDC
步距角:7.5°
电阻:4Ω~5Ω
重量:45g
电压:12VDC~24VDC
步距角:7.5°
电阻:4Ω~5Ω
重量:45g
性能参数

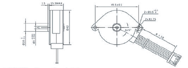
物理尺寸

电机特性曲线

典型应用领域: Typical Applications:
lOA金融设备 ● OA Financial Equipment
l汽车车灯 ● Auto Lamps
l智能洁具 ● Intelligent Sanitary
l阀门控制 ● Valve Control
l自动化控制 ● Automatic Control