20BY45系列爪极式永磁步进电机
电压:7.2VDC~24VDC
步距角:18°
电阻:13Ω~40Ω
重量:20g
电压:7.2VDC~24VDC
步距角:18°
电阻:13Ω~40Ω
重量:20g
性能参数

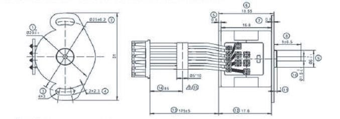
物理尺寸

电机特性曲线

典型应用领域: Typical Applications:
l微型打印机 ●Miniprinter
l 精密光学仪器 ● Precision Optics Instrument
l 大型网络硬盘模块 ● Communication Network Modules
l 定时报时系统 ● Time Indicating Mechanism