TEL: 唐先生

CM40系列空心杯电机

CM40系列空心杯电机

驱动方式:恒压          

驱动电压:12V~48V               

重量:485g

产品详情

性能参数

image.png


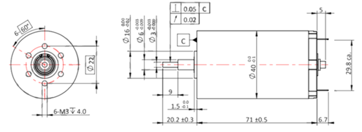
物理尺寸

image.png

典型应用领域:          Typical Applications:

      l 医疗器械                ● Medical Apparatus And Instruments

军工                       ● Military Project

手术器械                ● Surgical Instruments

个人护理                ● Personal Care