TEL: 唐先生

B80系列无刷电机

B80系列无刷电机

驱动方式:恒压          

驱动电压:48V           

接线方式:星型 

重量:1.8kg~2.8kg

产品详情

性能参数

image.png


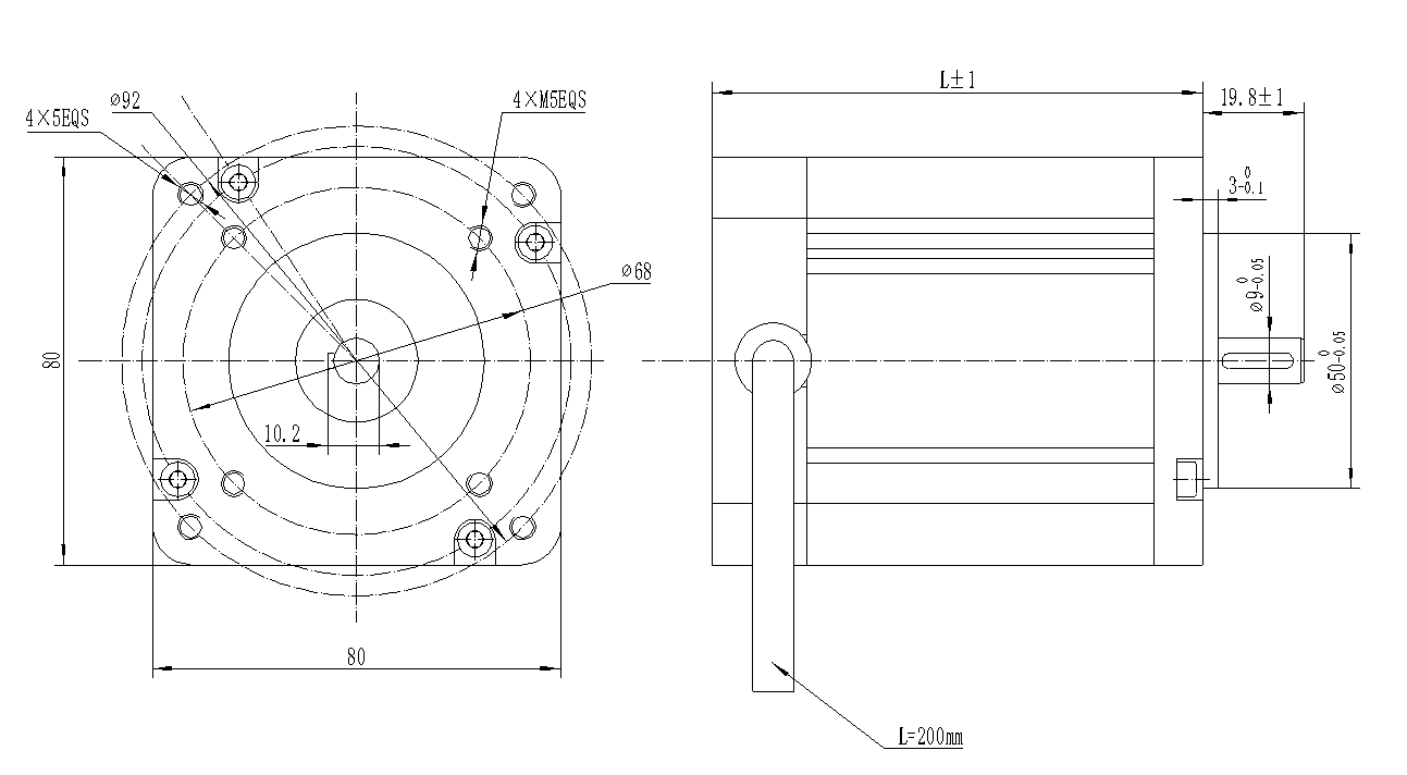
物理尺寸

image.png

电机特性曲线

image.png

典型应用领域:            Typical Applications

      l 医疗                     ●Medical  

l 汽车行业              ● Automobile Industry

l 自动化控制           ● Automatic Control