TEL: 唐先生

CHB57系列空心轴电机

CHB57系列空心轴电机

驱动方式:恒流      

驱动电压:3.5V~5V       

步距角:1.8°      

励磁方式:2相

产品详情

性能参数

image.png


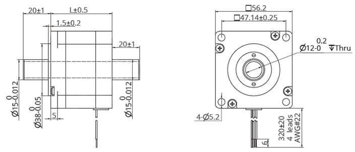
物理尺寸

image.png

电机特性曲线

image.png

典型应用领域:                                         Typical Applications

   l水泵                    ●Water Pump  

阀门控制                 ● Valve Control 

通风设备                 ● Ventilation System