TEL: 唐先生

42系列直线电机

42系列直线电机

驱动方式:恒流   

驱动电压:2.5V~12V             

步长 :  0.005mm/0.01mm/0.025mm

产品详情

性能参数

image.png


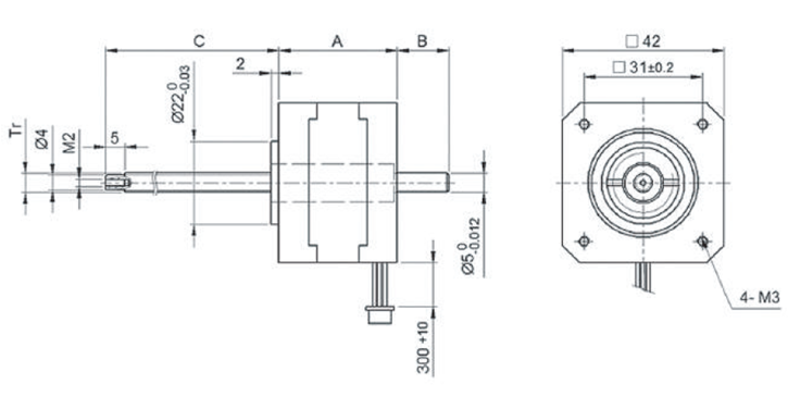
物理尺寸

image.png

典型应用领域:                                     Typical Applications:

   l 医疗              ●Medical  

阀门控制               ● Valve Control 

自动化控制           ● Automatic Control