28BYJ48 series claw pole permanent magnet stepper motor
Voltage: 5VDC ~ 12VDC
Step angle:5.625°/64 or 11.25°/64
Resistance: 60 Ω ~ 200 Ω
Weight: 45g
Voltage: 5VDC ~ 12VDC
Step angle:5.625°/64 or 11.25°/64
Resistance: 60 Ω ~ 200 Ω
Weight: 45g
Performance Parameter

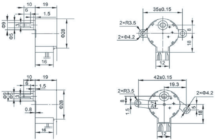
Physical Size

Typical Applications:
Home Applicances
l Air-conditioning
l Refrigerator
l Intelligent Sanitary
l Automatic Door Lock
l CCTV Monitor
l Electronic Instruments